東方Project「Suwako_Hat」
- Ships within 3 daysOut of StockShips by Anshin-BOOTH-PackPhysical (direct)4,500 JPY






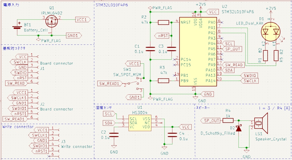
諏訪子様の帽子をモチーフにした不快指数計となります! 不快指数は温度・湿度から算出されるその空間が人間にとってどれほど不快か指示した数値となります。 本当のことを言うとSTM32を使ってみたいから始めたプロジェクトです。 電源は「CR2032」というコンビニなどで販売されているコイン型電池です。 3枚目は快適な状態での発光 4枚目は不快な状態での発光 5枚目は内部の回路図となります。 ■使い方 1.中に電池を入れる 2.1分ごとに温度・湿度を計測して不快指数を計算します。 3.不快指数に従って光・音でお知らせいたします ※なお、音は快適な状態・非常に不快な状態に変遷した時の最初の1~3分だけ流れます。 ※うるさいから音を切りたい!という方は6枚目の写真の内部の基板についているスイッチを切り替えることで音の出力をカットできます。 ■稼働時間 通常の使用であれば計算上1年程持ちます ■電源交換 ・CR2032(コンビニ・ドラッグストア・ホームセンターなどでお買い求めください) 1.裏ふたを「OPEN→」の方向に回して外します 2.古い電池を抜いて銅の板が電池に当たるように調整して新しい電池を入れます 3.裏ふたを閉めます ■サイズ 直径:50mm Z:22mm
See More





