AV40SXVGA FM77AV40SXのアナログRGBをVGAに変換【在庫限り】
- Ships within 4 daysOut of StockPhysical (direct)1,800 JPY





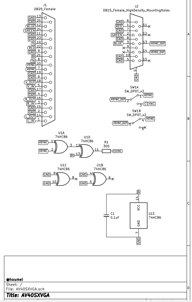
AV40SXVGA はFM77AV40SXのDsub25ピンアナログRGB出力をシュリンクDsub15ピンに変換します。水平同期周波数15kHz〜または24kHz〜に対応したVGAディスプレイで表示できます。スライドスイッチをCSYNC側に設定することで*HSYNC端子に複合同期信号を出力し、スキャンコンバーターGBS8220などに対応します。 FM77AV40SX前面の200/400ライン切り替えはディスプレイが対応していればどちらも表示できます。200ライン時は背面スライドスイッチを"インタレース"以外に設定してください。 詳細は以下の記事をご参照ください: AV40SXVGA FM77AV40SX用VGAアダプタ http://blog.livedoor.jp/hardyboy/archives/10370026.html
- 1 left in stock200 JPY
더보기




