真空管アンプ向け高電圧電源基板(電子基板GBRファイル)
- GBRファイル一式Digital0 JPY
- Donate (寄付)Digital1,000 JPY




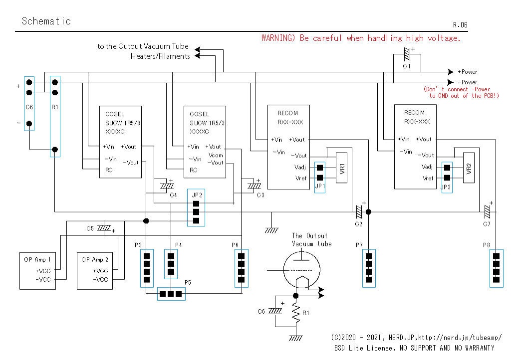
【概要】 この電子基板GBRデータは、真空管アンプ向けに、市販のDC-DCコンバータに幾つかを搭載して、必要な電圧を得るための回路をします実現します。 例えば、5Vの電源入力では、0V to 30V, 60V MAX130Vを出力することを想定しています。12Vの電源入力では、0V to 30V, 60V MAX230Vを出力することを想定しています。また、DC-DCコンバータの選択によって、他の出力電圧の組み合わせも可能です。 DesignSpark PCBのプロジェクトファイルも含まれます。 なお、高い電圧を扱う電子基板なので、安全に作業することをお薦めします。 寄付版は、オリジナル版と同じものです。
Overview
This electronic board GBR data implements a circuit for vacuum tube amplifiers by mounting some on a commercially available DC-DC converter to obtain the required voltage. For example, with a 5V power input, it is assumed that 0V to 30V, 60V MAX 130V will be output. With a 12V power input, it is assumed that 0V to 30V, 60V MAX 230V will be output. In addition, other output voltage combinations are possible by selecting a DC-DC converter. It also contains the DesignSpark PCB project files. Since it is an electronic board that handles high voltage, we recommend that you work safely. The donation version is the same as the original version.
使用許諾
BSD Lite 無サポート&無保証 なお、高い電圧を扱う電子基板なので、安全に作業することをお薦めします。
License agreement
BSD Lite No support & no warranty Since it is an electronic board that handles high voltage, we recommend that you work safely.




