M5Stack Basic/Core2 USB PDトリガモジュール(CH224K版)
- 支払いから発送までの日数:7日以内物販商品(自宅から発送)¥ 3,500








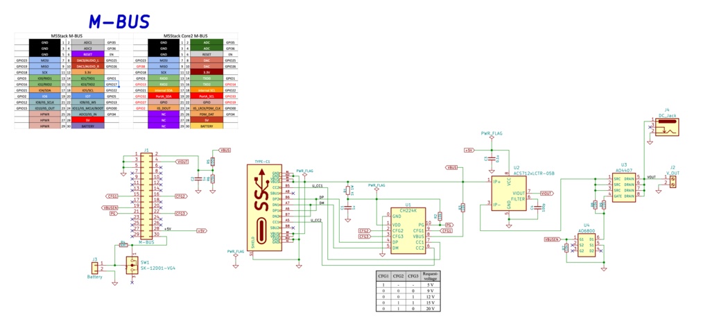
WCH社のUSB PDシンクIC 「CH224K」を使用した、M5Stack Basic/Core2のM-Busに接続する「USB PDトリガモジュール基板」です。(注: PPSには未対応です。) ALLEGRO社のホール電流センサIC「ACS712」とパワーFETを搭載し、M5Stackのプログラム操作で、 ・USB PD対応充電器やモバイルバッテリーからの5V/9V/12V/15V/20Vの取り出し ・出力電流の測定 ・出力のON/OFF の制御が行なえます。 (取り出せる電圧は充電器・モバイルバッテリーのサポートする電圧となります) 3Dプリンタ製のケース付属をつけた状態での販売となります。 3Dプリント用のケースデータ・M5Stack用サンプルスケッチ・回路図・BOMはGitHubで公開しています。 https://github.com/tomorrow56/M5_PDTrigger
もっと見る







